 |
|
青州恒日金屬制品有限公司
電話:0536-2133230
傳真:0536-2137228
Email:master@hansing.com.cn
地址:青州市經濟開發區東京路1809號
網址:www.huanqishan.cn
郵編:262500
|
|
|
|
|
|


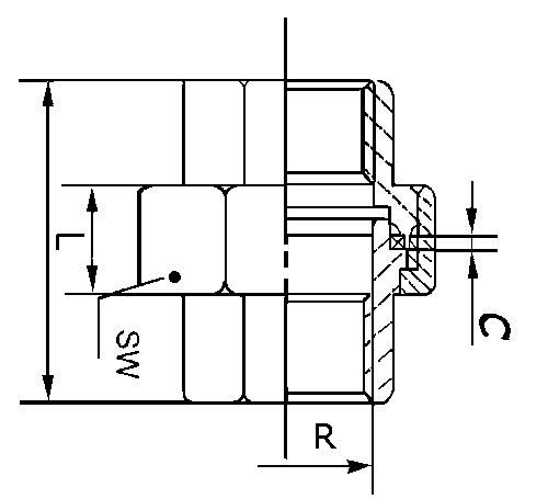
R |
1/8 |
1/4 |
3/8 |
1/2 |
3/4 |
1 |
L |
40 |
42 |
45 |
48 |
52 |
58 |
C |
2.5 |
2.5 |
2.5 |
2.5 |
3 |
3 |
SW |
29 |
29 |
34 |
39 |
47 |
58 |
R |
11/4 |
11/2 |
2 |
21/2 |
3 |
4 |
L |
65 |
70 |
78 |
85 |
95 |
110 |
C |
3 |
3 |
3 |
3 |
3 |
3 |
SW |
67 |
77 |
90 |
111 |
130 |
156 |
|
|
|